跳转至

TTL放大板系列

⚠️技术支持和售后一定要添加微信,店铺客服不做技术支持。

一、产品概述

TTL放大板系列产品,支持4进4出(其他功能和路数可联系我们免费定制),每一路DI与DO一一对应,每一组通道均有LED指示灯指示。

除了精小板外,输入信号支持双向输入,即NPN、PNP信号都可以用,com公共端可以接正极,也可以接负极,必须和信号电平相反

精小板的VCOM是公共端,内部2个VCOM直连,只能接信号正极,不支持双向信号

除了精小板是无外壳(裸板)外,设备采用标准35mm导轨安装。

请先仔细阅读本文档,不明白之处,请联系技术支持


二、功能参数

  • 工业级设计,满足不同领域使用需求
  • 4路NPN、PNP信号输入
  • 4路NPN/PNP信号输出
  • 输入通道电路1-3mA
  • 最大转换频率:脉冲波形转换建议1KHz,开关控制可以更高
  • 采用标准35mm导轨安装
  • 输入端信号电压支持3.3-5V和12-24V选配
  • 独立通道信号指示灯

三、使用说明

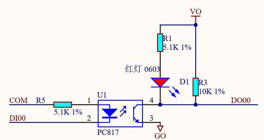
3.1 精小板原理图

  1. 精小板的com公共端只能接信号正极
  2. 当有NPN低电平信号输入时,光耦导通,LED灯亮,输出信号为GO(0V)负极,当无输出时,输出信号为高电平,LED灯灭。
  3. 更多说明见补充说明

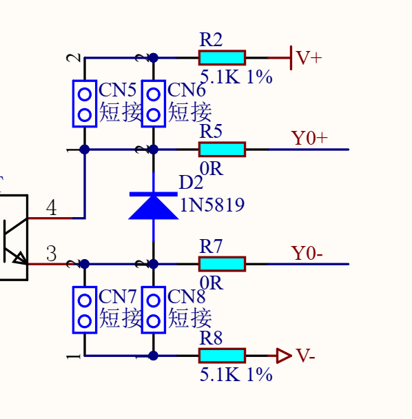
3.2 4路TTL板输出侧原理图

3.2.1 NPN低电平输出接线

以Y0通道举例: 1. 跳线帽跳到上拉电阻上,Y0+作为信号输出,Y0-用线短接到电源负(V-)。 2. 当光耦导通时,Y0+输出0V低电平,当光耦不导通时,Y0+被上拉到V+输出高电平。 3. 示意图如下左图

3.2.2 PNP高电平输出接线

以Y0通道举例: 1. 跳线帽跳到下拉电阻上,Y0-作为信号输出,Y0+用线短接到电源正(V+)。 2. 当光耦导通时,Y0-输出高电平,当光耦不导通时,Y0-被下拉到V-输出低电平。 3. 示意图如上右图

3.2.2 用作OC开关接线

以Y0通道举例: 1. 跳线帽取下,上下拉电阻都不用跳上Y0+作为开关正极,Y0-用作开关负极。 2. 当光耦导通时,Y0+到Y0-导通,当光耦不导通时,Y0+到Y0-不导通,即当成一个电子开关使用,极限电流为50mA,建议降额使用。 3. 如需要限流,可以将1206封装的0欧电阻替换成所需的电阻即可。 4. 更多说明见补充说明 5. 用电子开关方式控制负载示意图如下,控制负载正极或负极有2种方式接线:


🔷补充说明

⚠️Tips:放大板上的com公共端可以接正极或负极,所以信号兼容NPN或PNP输入。

  1. 输入信号需要接到输入侧的X0、X1、X2...;信号输出是Y0、Y1、Y2...
  2. 当输入信号是PNP高电平有效时,此时com公共端接负极(0V)GND;当输入信号是NPN低电平有效时,此时com公共端接信号正极
  3. 输出端V+(VCC)接输出侧电源正极,V-(GND)接负极(0V)GND,由外部给放大板供电
  4. 输入侧和输出侧是电气隔离的,隔离等级为5KV。
  5. 如果输入侧和输出侧用同一个电源,或者虽然用了2个电源,但是2个电源共地了,那么就无法起到电气隔离作用了。不过电平转换电压电流放大的功能不影响使用。
  6. 输入侧信号电压范围一般按2个等级切换,3.3-5V和12-24V,用户可以根据需求自行切换(见3.3更改输入信号电压)。

🔶Tips:在选择的输出电压等级范围内,V+和V-供电多少伏,输出信号高电平就是多少伏。

3.3 更改输入信号电压

图中蓝色框内(光耦一次侧)的锯齿状焊盘,是输入信号电压配置点。

当输入信号电压是3.3-5V时,需要用烙铁短接对应通道,也可以自行焊接排针+跳线帽短接。

当输入信号电压是12-24V时,需要用烙铁断开对应通道,断开时请务必用万用表蜂鸣器档测试是否断开,防止短接点虚连导致烧坏内部电路。

3.4 勘误说明

🔶Y3通道的丝印正负极反了,在使用时请注意。

🔶Tips:在配置好的输出电压等级范围内,V+和V-供电多少伏,输出信号高电平就是多少伏。
有的板子因版本不同,可能没有电压配置焊盘,或者只有输入侧,或只有输出侧。
如有不明白之处,请联系技术支持